SW8G 直動玉軸受の主な特長SW8G は、ポリアミド樹脂製保持器を使用した精密直動自動調心玉軸受です。リニアボールブッシュベアリングは自動調心性があり、軽量で調整可能で、摩擦係数が低いです。耐摩耗性のエンジニアリングポリマー製リテーナー
説明:Peekaboo5 フルセラミックベアリングは、オートバイ、ロード/マウンテンバイク、および転がり抵抗と重量の軽減を求めるその他の要求の厳しい用途で使用するために特別に設計されています。Peekaboo5 ベアリングは高精度、グレード 5、窒化ケイ素セラミック ボール、ジルコニア セラミック ABEC を備えています。
仕様IDCRT-24-SBローラー ODA0.750ローラー幅0.375スタッド径C0.190スタッド長さHD0.625M.ETE1/4ネジ種2AF10-32油穴中心~油穴径H~潤滑油継手サイズJ~六角サイズX1/8MIN.ボス径19/64取付穴0.190トルク(IN-LB)7.5
2024 年 6 月 24 日 RB-8860058/RB-8860059 2 個/POS B 8 NF(ビッグ グリース フィッティング) 25 個/CRT-24-SB-95A 130 個/176XL037 500 個はオフィスで準備ができており、カナダに発送されます {[ t0]} 業界は、北米およびユーロ市場にさまざまな OEM パワートランスミッション部品を提供しています。ご要望がございましたら、Sunny@ までリクエストを送信してください。
R8 フルセラミックベアリング (ID12.7xOD28.575XW6.35)R8 フルセラミックベアリングは、すべてセラミック素材で作られています。セラミックは、高温や腐食性物質、高 RPM で全体の重量が軽減される用途や、非常に過酷な環境に最適な素材です。フルセラミックb
該当なし
No Mark
Contact Us
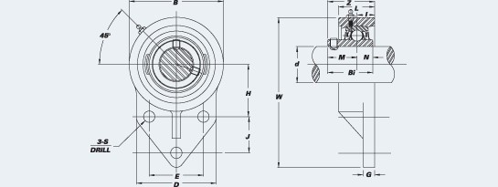
ユニット番号: SUCTFB 206-20 ベアリング番号: SUC 206-20 ハウジング番号: TFB 206 重量 (ポンド): 1.1
ステンレス鋼ベアリングインサート
エンドキャップが利用可能
サイズに応じて、利用可能なシール オプション:
Bタイプシール
L3 タイプ (トリプルリップ) シールは一部のサイズで利用可能
IP69Kシール(防塵・防水)
速度許容差については、IPTCI にお問い合わせください。
ユニット番号: SUCTFB 206-20
ベアリング番号: SUC 206-20
ハウジング番号: TFB 206
重量 (ポンド): 1.1
ユニット番号: SUCTFB 206-20 ベアリング番号: SUC 206-20 ハウジング番号: TFB 206 重量 (ポンド): 1.1
ステンレス鋼ベアリングインサート
エンドキャップが利用可能
サイズに応じて、利用可能なシール オプション:
Bタイプシール
L3 タイプ (トリプルリップ) シールは一部のサイズで利用可能
IP69Kシール(防塵・防水)
速度許容差については、IPTCI にお問い合わせください。
ユニット番号: SUCTFB 206-20
ベアリング番号: SUC 206-20
ハウジング番号: TFB 206
重量 (ポンド): 1.1